曲 阜 市 天 利 药 用 辅 料 有 限 公 司
QuFuTianLi Pharmaceutical Excipients Co.,Ltd.
首页
|
走进天利
天利简介
企业文化
荣誉资质
设备展示
天利全景
|
新闻中心
公司新闻
行业新闻
通知公告
|
产品展示
药用辅料
食品添加剂
|
信息公示
|
联系我们
在线留言
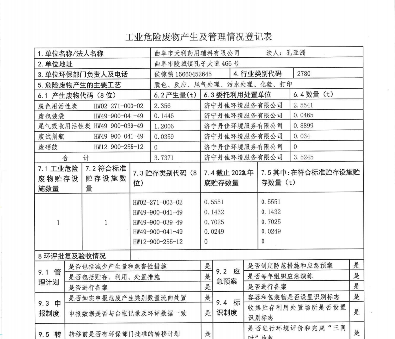
2022年危险废物污染环境防治信息
2023-02-10 14:13
电话咨询:0537-4513888
QQ咨询:258506508
微信公众号
扫码咨询
本站总访问量
次